As said in the Getting Started chapter you need three probes for meat temperature monitoring and one K-Type probe for BBQ temperature monitoring.
NTC probes for meat temperature monitoring
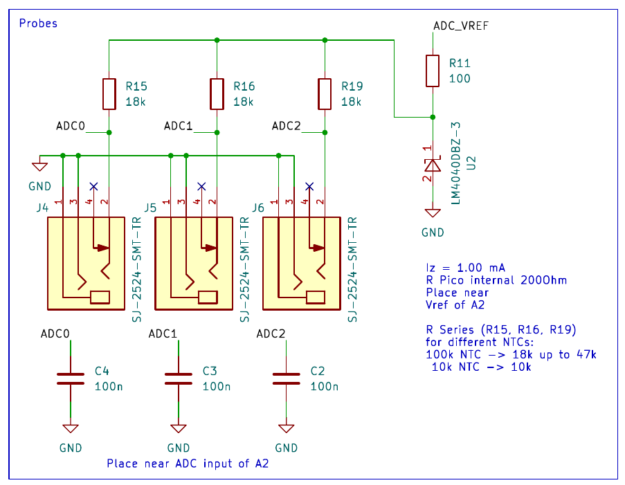
Specification for probes working with PitNode:
- NTC thermistor
- 2.5mm audio jack connector
- Stereo or Mono but PTEB uses mono configuration only
- NTC wires have to be connected to Pin 2 and 1 or 3 (see schematics)
- NTC resistance at room temperature between 10k and 100k
Check your probes
To find out if you can use an existing probe follow this instruction here:
Use a Multimeter to measure the resistance between the two relevant pins (see above) of your probe. It will give you the resistance at room temperature. There are many different values available. Very common is 100 kOhm or 10 kOhm or something in between.
To check if you have a NTC probe you can just warm up the probe with your fingers and measure the resistance in parallel. If the resistance goes down then it is most likely NTC type.

Choose the right divider resistor
In this chapter we will go into some technical details to give you a toolkit to choose the right resistor value for optimizing the measurement range. In the end of this chapter I give you some recommendations for choosing the divider resistor. We have a divider resistor (R15, R16, R19) for each of the three measurement channels.

The divider ratio has to be optimized for your NTC probe. As an example R15 together with your probe which is connected to J4 are the divider for CH0 of the ADC.
The aim of this divider is to make use of the full scale range of the ADC for your targeting temperature range. In this design the ADC input voltage range is limited to 0V to +3V (due to the high precision voltage reference U2).
Our target temperature range is between 20°C and 120°C.
The following diagram shows the NTC resistance over temperature for 100k Ohm NTCs with different beta values. The beta value impacts the shape of this curve.

For a BBQ thermometer we are interested in a temperature range from 20°C to 120°C. This should cover most use cases. As you can see the beta value has not such a big effect that it will impact the selection of the divider resistor.
We already know the resistance of our probes at room temperature by the measurement explained earlier.
For a 100k NTC a good value for the series resistor is 18k (or similar). This gives the following voltages over temperature at the ADC input:

This seems to be a good series resistance for 100k NTCs because the interesting temperature range is in the middle of our ADC voltage range.
For 10k NTCs I would recommend to use a 10k series resistor which gives the follwing plot:

As you can see we are not longer in the ideal range of the ADC but this will still work. You should not go much lower than 10k of series resistor. The reason is that the current drawn by the probes itself will impact the current flows through the reference voltage diode.
Where to buy probes?
These NTC probes are very common. I bought them from Aliexpress here. But there are other sellers as well. I would recommend to try to find 100k NTC probes.
Now you are sure what kind of probe you have and what the resistance at 25°C is. There values you need to put into the config.txt file.
K-Type probe for BBQ temperature monitoring
For monitoring of the BBQ temperature I decided to use K-Type thermocouple. They have the advantage that they are available over a large temperature range up to 1000°C. They are available for many different mounting options and temperature ranges.
You can find them at electronic distributors or distributors specialized for temperature probes as for example here.
You have to make sure that the connector matches the connector on the PCB which can be found in the datasheet.


Leave a Reply